What is The SCARA Four-axis Robot System?
May 12, 2024What is the SCARA four-axis robot system? The traditional robot just repeats its work and cannot detect the environment around it. However, with the development of the economy, the company's have higher requirements for products, robot technology has also to made a new breakthrough, high-performance SCARA four-axis robots create more value for the society. But many people don't know about the SCARA four-axis robot system. Let's take a look at it.

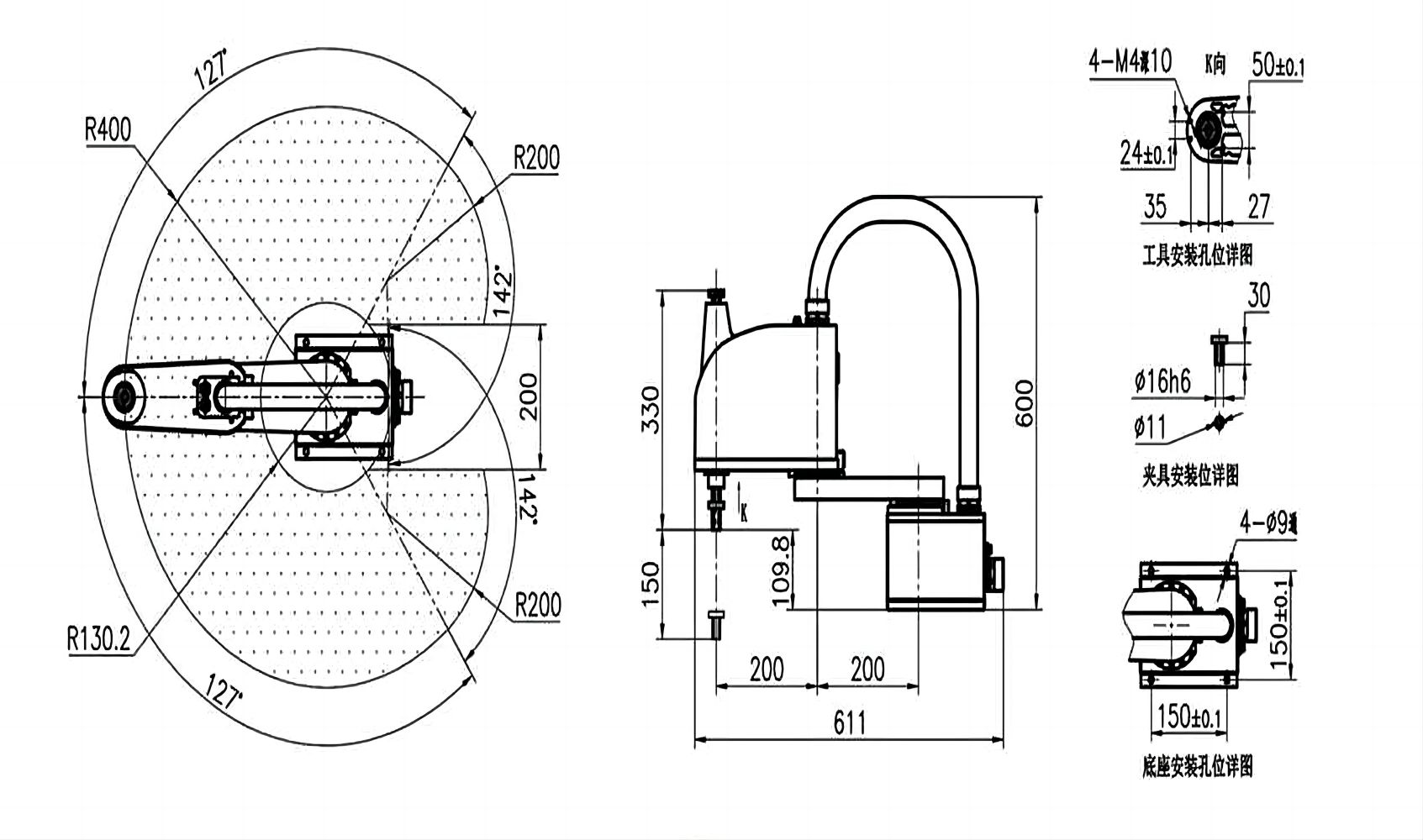
The SCARA four-axis robot refers to the selective assembly of the joint robot arm, that is, the arm portion of the four-axis robot can move freely in a geometric plane.
The first two joints of the SCARA four-axis robot can rotate freely on the left and right in the horizontal plane. The third joint consists of a metal rod called a quill and a gripper. The metal rod can move up and down in a vertical plane or about its vertical axis, but cannot tilt. The structure of the SCARA four-axis robot is similar to the human arm. The multiple degrees of rotational freedom are similar to the rotation of the human arm in the shoulder, elbow, and wrist. The 'hand' of the terminal can move up and down. Easily to integrate the peripheral integrated control development system to create a streamlined, highly integrated robotic workstation. The internal details of the robot are the internal secrets of each robot manufacturer. The robot has been widely used in the assembly work since then.
This unique design gives four-axis robots a high degree of rigidity, making them capable of high speed and repeatability. In packaging applications, four-axis robots are good at high-speed pick and place and other material handling tasks.
The above is the introduction of the SCARA four-axis robot system. The popular SCARA four-axis robot is commonly used for palletizing and visual function library packaging. The automatic calibration function saves time, and the multi-thread parallel execution supports up to 5 multi-tasks at the same time. The software functions are all open without charging other fees; it is also the most widely used multi-axis robot system. To find out more about the knowledge of SCARA robots, please keep focus the update informations on our website.