(1) 4 bits dial code preset time ,with LED display of high bright ,digit height is 0.36 inch.
(2) 1 bit dial code set and delay multiplying factor ,multipying factors up to 8 varieties.
(3) With high performance built-in microchip,taking high accvuracy crystal as clock source,the delay accuracy highly up to 0.05%.
(4) lnpus signal adopts photoelectric coupling isolation to increase the anti-interference capability.
(5) Wide applicable range for working power,85~265VAC/DC free input.
(6) DIN (48mm x 48mm) standard panel dimension,with standard 8-pin interface,and is converient to use with matchable base
Item No :
SCH-D48SOrder(MOQ) :
5Payment :
T/TProduct Origin :
ChinaSCH-D48S Series Time Relay
With high performance built-in microchip,taking high accvuracy crystal as clock source,the delay accuracy highly up to 0.05%.lnpus signal adopts photoelectric coupling isolation to increase the anti-interference capability. Wide applicable range for working power,85~265VAC/DC free input. DIN (48mm x 48mm) standard panel dimension,with standard 8-pin interface,and is converient to use with matchable base.
Technical Specification
| Class | Multiplex type preset time limit relay | |||
| Type | SCH-D48S | SCH-D48S-MR | SCH-D48S-2 | SCH-D48S-3 |
| Delay base | 1mS、0.01Sec、0.1Sec、1Sec、1Min、1HR、1Min/Sec、1HR/Min | |||
| Delay range | 1-9999 Times base | 1-9999 Times base | 1-99 Times base | 1-999 Times base |
| Function characteristic | 4 bits dial code preset without panel reset function |
4 bits dial code preset, withoutpanel reset function |
2 bits dial code preset without panel reset function |
3 bits dial code preset withoutpanel reset function |
Contact capacity |
1Z after the type denotes 1 group of relay output ,1+3,denotes reset ,1+4 denotes pause;2Z after the type denotes 2 groups of relays output,contact capacity is impedance load,max 5A/250VAC or 5A/28VDC |
|||
| Display mode | 2,3 or 4 bits of 0.36 character height LED display with high bright ,decimal point automatically shifts according to the set delay base,at the same time,it is used as sec.flash working indicator light |
|||
| Rated working voltage | 85~265VAC/DC input free,other voltage upon request | |||
| Accuracy | Voltage affects error,repetitve error less than±50PPM and preset error is 0 | |||
| Signal input | Reset and pause signal input is contact or NPN(emitter to common termianal 1),adopting photoelectric coupling isolation,signal width should not less than 0.02Sec |
|||
| Special function | All types are pwoer on delay mode,power cut memory type (type with E,as LD48SE),delay down mode(type with Y,as LD48SY)and instantaneous release type(type with C,as LD48SC)can be selected,or choose two types of functions in it (type with attach,as LD48SEY is power cut memory delay down mode) |
|||
| Installation adn base | Exposed type | P2CF-08 | ||
| Embedded type | Y-50&US-08 or Y-50&P3G-08 | |||
| Power consumption | ≤4.5VA | |||
| Operating environment | Ambient temperature:-10~+55℃ (nonfreezing)Ambient humidity:35~85%RH | |||
| Noisy immunity | AC2kV(between operating power terminals )or DC±500V,time accumulator works normally under sisturbance of 1uS impulse width |
|||
| Scrvice life | Mechanical life:5x10°times,electric life:1x10times | |||
| Weight | About 103g | |||
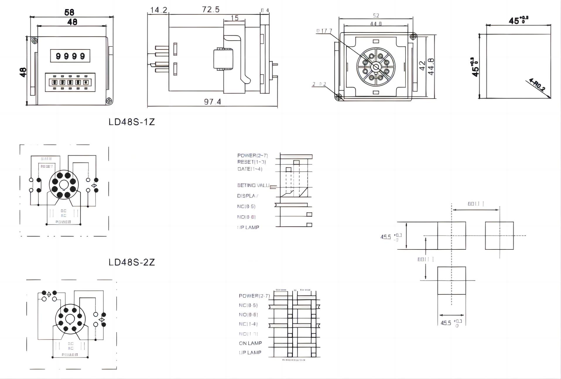
Outline,connecting diagram,sequence chart and tapping size

FAQ
Can you produce according to the samples or drawings?
Yes, we can produce by your samples or technical drawings. We can build the molds
What is the lead time?
For standard models, lead time is about 3~5 days after order confirmed and payment received.
For OEM orders, the delivery is about 2~3 weeks after data confirmed and payment received.
How to solve the quality problems after sales?
Take photos or videos of the problems and send to us.
We will make a satisfied solution for you within 24 hours after we confirm the problems.
Hot Tags :