♦Dual-core processing efficiency is higher, the high motor runs smoothly, the vibration when stopping is lower, and the response is faster
♦ Simple and easy-to-understand menu display
♦ The DB series plug for convenient wiring, simple operation and easy welding
♦Supports CANopen/EtherCAT bus control, Meet the needs of high-end equipment.
♦SD20 supports fully closed-loop control and gantry synchronization, and the driver can adapt to a wider range of places.
Item No :
SCH-D20-GOrder(MOQ) :
5Payment :
T/TProduct Origin :
ChinaSCH-D20-G Universal servo
D20-G Series Servo Drives is a high performance drive particularly suitable for general use. It has a 3.0kHz frequency response, which could meet the wide range of customer's requirement. The feedback options are incremental encoder, absolute encoder and resolver.
The rich functionality includes full close loop, multi-position control, gain switchover, moving fixed-length cutting, etc.
Built-in PLC is open for customer to make simple programming.
Widely used in robots, CNC machine tools, textiles, packaging and other industries.
Technical Specification
| Item | Content | |
| Input power | S2/T2 series | 220VAC-15~+10%50/60Hz |
| T3 Series | 380~440VAC-15~+10%50/60Hz | |
| Control mode | Pt:Position pulse mode Pr:internal register position mode | |
| Sz:analog speed mode Sr:internal register speed mode | ||
| Tz:analog torque mode Tr:internal register torque mode | ||
| Energy consumption braking | Built-in or external brake resistance (external is optional) | |
| M1 model does not have built-in brake resistance; | ||
| 7.5KW and above drivers do not have built-in brake resistance | ||
| The rest have built-in brake resistors | ||
| Control characteristics |
control method | Permanent magnet synchronous motor; |
| speed response frequency | Permanent magnet synchronous servo: 1.2KHz; | |
| velocity volatility | ±0.01% (load 0~100%) | |
| speed fluctuation | Permanent magnet synchronous motor: ±0.01% (VC, load 0~100%): | |
| Speed ratio | 1:10000 | |
| Input pulse frequency | 1、500KHz (differential): 200KHz (open collector): | |
| 2、The acceptable frequency for high-speed pulse circuit is 4Mz (differential type); | ||
| Input signal | Control input | Servo enable,alarm reset,command pulse Clear,command pulse Disable forward turn disable,Reverse disable,positive torque limit,reverse torque limit,internal speed selection,internal position trigger,origin/mechanical origin search trigger,zero speed clamp,etc |
| Encoder | 1.Absolute value encoder; | |
| 2.Incremental encoder; | ||
| 3 Rotary transformer; | ||
| 4.BiSS-C; | ||
| 5.Magnetic knitting | ||
| 6.Hiperface; | ||
| Output Signal | Control output | Servo ready,servo alarm,position arrived,speed arrived,electromagnetic lock output rotation check out,speed limit medium,origin found,torque limit medium |
| Encoder signal frequency division output |
Three output methods: 1,encoder Z phase collector open circuit output; 2,encoder A,B phase frequency division signal differential output (not solated)arbitrary frequency division;Z phase no frequency output; 3,Z pulse time expansion function; | |
| Position control | Input mode | Two-phase orthogonal pulse,forward pulse+reverse pulse,pulse+direction,internal register |
| Electronic gear ratio | 1、0.01<B/A<100 | |
| 2,support two sets of electronic gear,users can choose or switch according to actual needs | ||
| Analog speed contro | -10V~+10V analog speed signal input,can change the setting range;through the function code;Instruction source is optional; | |
| Analog torque control | -10V~+10V analog torque signal input,you can change the setting range;through the function code;Instruction source is optional; |
|
| Add/slow down | Parameter setting acceleration and deceleration time 1~30000ms (from 0 acceleration to rated speed) | |
| Communications | RS485/RS232 interface,through the connection with PC,servo control parameters setting and monitoring | |
| Paramete setting | Keyboard input | Parameter adjustment can be operated with four keys and displayed via a 5-digit nixie tube |
| Upper computer Settings |
The upper computer software running the Ori servo sets the driver parameters through the RS485,RS232 communication interface |
|
| Monitoring function | Output current,bus voltage,motor speed,motor feedback pulse,motor feedback revolution,given pulse,given pulse error,given speed,given torque,analog speed,analog torque,eto | |
| Protection function | Category 1 alarm: main power supply overvoltage, overcurrent, encoder abnormality, emergency stop, torque imbalance, etc. Category II alarm: main power undervoltage, overload, excessive speed error, driver overheating, main circuit power supply phase loss, abnormal pulse control instructions, regenerative braking abnormality, excessive position control error, lithium battery alarm, etc. |
|
| Applicable load inertia | Less than 5 times the inertia of the servo motor | |
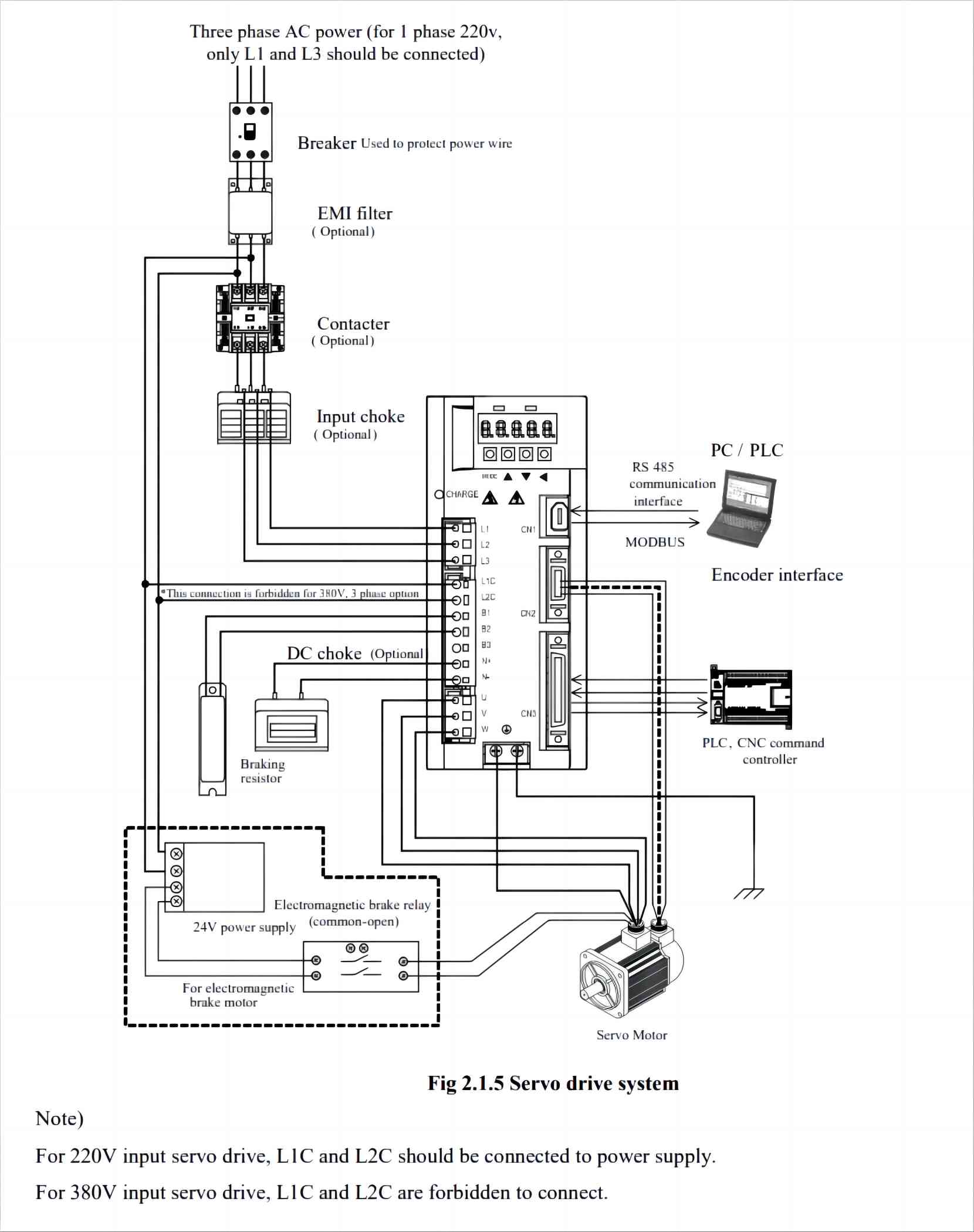
Drive component

Product wiring diagram




FAQ
Can you produce according to the samples or drawings?
Yes, we can produce by your samples or technical drawings. We can build the molds and fixtures.
What is the lead time?
For standard models, lead time is about 3~5 days after order confirmed and payment received.
For OEM orders, the delivery is about 2~3 weeks after data confirmed and payment received.
How to solve the quality problems after sales?
Take photos or videos of the problems and send to us.
We will make a satisfied solution for you within 24 hours after we confirm the problems.