♦Hanging horizontal multi-joint robot, repeatable positioning accuracy 0.01mm, maximum load 5KG.
♦The structure is exquisite and flexible, with fast running speed, high transmission precision and low noise;
♦Supports multiple communication methods such as serial port, network, USB, etc.
♦It has advanced functions such as multi-axis linear interpolation, 3D space arc interpolation, trajectory following, smooth acceleration and deceleration, continuous motion trajectory speed adaptive function, spline curve teaching, and vibration suppression.
Item No :
SCH-FR5215Order(MOQ) :
5Payment :
T/TProduct Origin :
ChinaSCH-FR5215 Hanging SCARA Robot
SCH-FR5215 SCARA robot is a hanging horizontal multi-joint robot with a repeatable positioning accuracy of 0.01mm and a maximum load of 5KG. Exquisite and flexible structure, fast running speed, high transmission accuracy and low noise.
Technical Specifications
| Model | FR5215 | ||
| Species | SCARA | ||
| Number of axes | 4 | ||
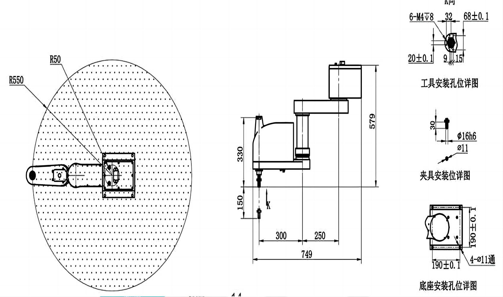
| Arm length | 550mm | ||
| Standard cycle time*1 | 0.42s(2kg) | ||
| Rated/Max payload | 2kg/5kg | ||
| Axis Specification | J1 Axis | Arm Length | 250mm |
| Rotation Range | ±360° | ||
| J2 Axis | Arm Length | 300mm | |
| Rotation Range | ±360° | ||
| J3 Axis | Route | 150mm | |
| J4 Axis | Rotation Range | ±360° | |
| Motor power | J1 Axis | 750W | |
| J2 Axis | 200W | ||
| J3 Axis | 100W | ||
| J4 Axis | 100W | ||
| Max running speed | J1,J2Axis Synthesis | 6942.4mm/s | |
| J3 Axis | 1333.3mm/s | ||
| J4 Axis | 1666.7°/s | ||
| Repeat Positioning Accuracy | J1,J2 Axis | ±0.02mm | |
| J3 Axis | ±0.01mm | ||
| J4 Axis | ±0.005° | ||
| J3 Axis max down force | 100N | ||
| J4 Axis allows loading moment of inertia | 0.005 KG/㎡ | ||
| 0.035 KG/㎡ | |||
| UUser IO | 26PIN DB connector | ||
| 7 Output 6 Input | |||
| Users Pipe | Φ4×2 Root | ||
| Installation | Ceiling installation | ||
| Weight | 21KG | ||
Dimensions

Application

FAQ
Could I have prices of your products?
Welcome. Pls feel free to send us an email here. You will get our reply in 24 hours
Can we print our logo/website/company name on products?
Yes, please advise the size and Pantone Code of the logo.
What's the lead time for regular order?
3~7 days for order quantity lower than 500pcs, For more quantity, usually 15 days.