♦Less occupation, better for plant layout
♦Easily suitable for various products line
♦Lower cost for operation and maintenace
♦Long life performance
♦Simple program
♦Rapid return of investment
Item No :
SCH-FR6115Order(MOQ) :
5Payment :
T/TProduct Origin :
ChinaSCH-FR6115 Hanging SCARA Robot
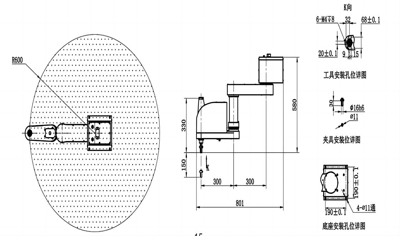
The FR6115 suspended SCARA robot is a suspended horizontal multi-joint robot. Repeatable positioning accuracy 0.01mm, rated load 1KG, maximum load 3KG.
Widely used in Material handling,welding,palletizing,painting,machine tool loading and unloading .
Technical Specifications
| Model | FR6115 | ||
| Species | SCARA | ||
| Number of axes | 4 | ||
| Arm length | 600mm | ||
| Standard cycle time*1 | 0.38s(1kg) | ||
| Rated/Max payload | 1kg/3kg | ||
| Axis Specification | J1 Axis | Arm Length | 300mm |
| Rotation Range | ±360° | ||
| J2 Axis | Arm Length | 300mm | |
| Rotation Range | ±360° | ||
| J3 Axis | Route | 150mm | |
| J4 Axis | Rotation Range | ±360° | |
| Motor power | J1 Axis | 750W | |
| J2 Axis | 200W | ||
| J3 Axis | 100W | ||
| J4 Axis | 100W | ||
| Max running speed | J1,J2Axis Synthesis | 7395.3mm/s | |
| J3 Axis | 1333.3mm/s | ||
| J4 Axis | 1666.7°/s | ||
| Repeat Positioning Accuracy | J1,J2 Axis | ±0.02mm | |
| J3 Axis | ±0.01mm | ||
| J4 Axis | ±0.005° | ||
| J3 Axis max down force | 100N | ||
| J4 Axis allows loading moment of inertia | 0.005 KG/㎡ | ||
| 0.035 KG/㎡ | |||
| UUser IO | 26PIN DB connector | ||
| 7 Output 6 Input | |||
| Users Pipe | Φ4×2 Root | ||
| Installation | Ceiling installation | ||
| Weight | 21.5KG | ||
Dimensions

Application

FAQ
Can we accept samples customized?
No problem for samples order, and welcome your testing before your big order.
OEM and ODM are available?
Yes, we accept customized products
Can I get a lower price if I order large quantities?
Yes, Cheaper prices with bigger size orders, please contact us and we will give you a quatation.