♦ Ultra-high cost performance;
♦ Precision, small point and small volume;
♦ Three output modes: NPN, NPN + analog and NPN + RS485;
♦ Multiple detection modes are suitable for more application scenarios: general detection mode, one-point teaching mode, two-point teaching mode, three-point teaching mode, downward differential mode, and ascending differential mode;
♦ The top of the output indicator light large, beautiful and generous
♦ Digital tube display distance value, clear and bright;
♦ Membrane switches, easy to use;
♦ Aluminum alloy casing, strong and durable.
Item No :
SCH-30N-485Order(MOQ) :
5Payment :
T/TProduct Origin :
ChinaSCH-30N-485 High precision non-contact laser displacement sensor
The Laser Displacement Sensor is a sensor that uses laser technology to measure. It can be used to detect the geometry of the position, displacement, distance, thickness, height and diameter of the object by accurately distinguishing the position and displacement change of the measured object. It is especially suitable for various application scenarios that require high detection accuracy.
Technical Specification
| Mode# | NPN | SCH-30NZ | SCH-50NZ | SCH-100NZ | SCH-200NZ | SCH-400NZ |
| NPN+Analog quantity |
SCH-30NMZ | SCH-50NMZ | SCH-100NMZ | SCH-200NMZ | SCH-400NMZ | |
| NPN+RS485 | SCH-30NZ-485 | SCH-50NZ-485 | SCH-100NZ-485 | SCH-200NZ-485 | SCH-400NZ-485 | |
| Detectionmethod: | diffuse reflection | |||||
| Basis (center)distance: | 30mm | 50mm | 100mm | 200mm | 400mm | |
| Detection range(F.S.): | 25~35mm | 35~65mm | 65~135mm | 120~280mm | 200~600mm | |
| Full scale: | 10mm | 30mm | 70mm | 160mm | 400mm | |
| Repeat accuracy: | 10μm | 30μm | 70μm | 200μm | 600μm:200-400mm 1500μm:400-600mm |
|
| Linear accuracy: | ±0.1%F.S | ±0.2%F.S. | ±0.2%F.S.:200-400mm ±0.3%F.S.:400-600mm |
|||
| Temperature drift characteristics: |
±0.03%F.S./℃ | |||||
| Light Source: Light spot |
medium | red diode laser,wavelength 655nm | ||||
| output power | <1mW | |||||
| laser class | IEC Class 2 | |||||
| diameter: | 050μm | 070μm | 0120μm | 0300μm | 0500μm | |
| Output | switching | NPN Open collector,≤50mA/DC24V,residual voltage<1.5V | ||||
| analog quantity | analog voltage:0-5V(5.2V during alarm);analog current:4-20mA (alarm:0mA),chinese display screen can be switched |
|||||
| output operation | Light on/Dark on selectaSCHe | |||||
| Response time: | 1.5ms/5ms/10ms,switchaSCHe | |||||
| Operation voltage: | DC 12~24V±10% | |||||
| Consumption(no-load) | <30mA(at 24V DC power supply voltage),<60mA(at 12V DC power supply voltage) | |||||
| Indicator: | Output indicator:yellow;Power indicator :green | |||||
| Ambient illumination: | Incandescent lamp≤3000Lux;Sunlight≤20000Lux | |||||
| Ambient temperature: | Operation:-10℃~45℃;Storage:-20℃~60℃(without freezing) | |||||
| Ambient humidity: | Operation:35%~85%RH;Storage:35%~85%RH(without condensation) | |||||
| Protection circuit: | Polarity reversal protection/surge protection/short circuit protection | |||||
| Protection level: | IP67 | |||||
| Withstanding voltage: | AC 1000V,50/60Hz,1min | |||||
| Vibration | 10~55Hz(cycle I minute),dual amplitude 1.5mm,X/Y/Z directions each 2hours | |||||
| Impact resistance | 500m/S²(about 50G)XYZ3 times in each direction | |||||
| Insulation impedance | Above 50M Ω(DC500V megohmmeter) | |||||
| Material | cover case | aluminum alloy | ||||
| lens | PMMA | |||||
| caSCHesleeve | PVC | |||||
| Connection | Switching value:lead out type (4 cores,standard wire length 2 meters);Analog quantity:lead out type (5 cores,standard wire length 2 meters) |
|||||
| Weight | About 85g(include caSCHe) | |||||
Dimension Drawing

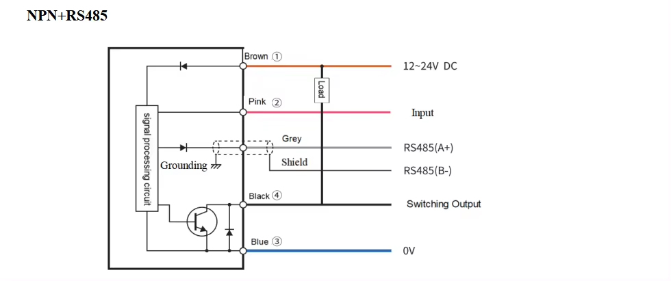
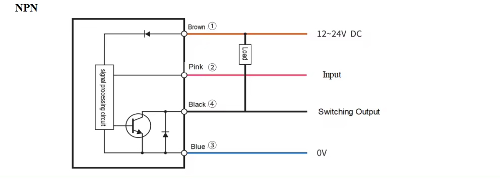
Product Wiring Diagram



FAQ
Can I get some samples?
Yes, Sample order is available for quality check and market test. But you have to pay the express cost.
What's delivery time?
It usually takes about 3-5 working days for small order and 10-15 days for big order.
How to solve the quality problems after sales?
Take photos or videos of the problems and send to us.
We will make a satisfied solution for you within 24 hours after we confirm the problems.