♦Easy to operate
♦4 channel output
♦Multiple detection modes
♦Can keep track of 4 colors
♦Can be used with 4 types of optical fibers
Item No :
SCH-801Order(MOQ) :
5Payment :
T/TProduct Origin :
ChinaSCH-801 High Quality Accurate Color Mark Sensor
SCH-801 Square Contrast RGB Photoelectric Sensor Color Mark Sensor Analog Color Code Sensor High Quality Accurate Color Mark Sensor
Technical Specification
| Model# | SCH-801 |
| Output mode: | NPN open collector model,4 channels output |
| Detection distance: | 18~28 mm |
| Supply Voltage: | 12~24 DC±10% |
| Consumption(no-load)current | ≤20mA |
| Light source: | red/green/blue 4-elementLED |
| Detection mode | mark mode and color mode switchable |
| Response time: | <130μs |
| Response frequency: | 1000Hz |
| Input current: | <100mA |
| Residue voltage: | <1.0V |
| Switch mode | L.On(light input operation)/D.on(shading operation)can be switched |
| Ambient illumination: | incandescent lamp≤3000Lux sunlight ≤10,000Lux |
| Ambient temperature | operation:-10℃~55℃,storage:-25℃~75℃ No freezing |
| Ambient humidity: | operation:35%~85%RH,storage:35%~95%RH,No coagulating |
| Circuit protection | reverse polarity protection,shoit circuit protection,surge protection. |
| Protection degree: | IP 65 |
| Connection cable: | 2 meter/6 core cable |
| Housing material: | PBT |
| Withstand voltage | AC 500V,50/60Hz,1 min. |
| Vibrate resistance: | 10-55Hz,complex amplitude 1.5mm,X.Y.Z direction each 2 times |
| Impact resistance: | 500m/s²,X、Y、Z direction each 10 times. |
| Insulation impedance | >20MQ (DC 500V megger) |

Dimension Drawing

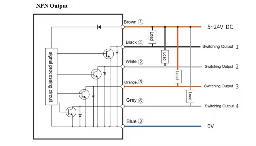
Product Wiring Diagram

FAQ
Can I get some samples?
Yes, Sample order is available for quality check and market test. But you have to pay the express cost.
What's delivery time?
It usually takes about 3-5 working days for small order and 10-15 days for big order.
How to solve the quality problems after sales?
Take photos or videos of the problems and send to us.
We will make a satisfied solution for you within 24 hours after we confirm the problems.